Diodo láser DFB de 1653 nm y 40 mW para sensor de metano La detección CH4 utiliza una construcción plana con chip en subportadora. El chip de alta potencia está sellado herméticamente en un paquete de mariposa de 14 pines sin epoxi ni fundente y equipado con un termistor, un refrigerador termoeléctrico y un diodo monitor para garantizar un rendimiento láser de alta calidad. Nuestros productos láser cuentan con la calificación Telcordia GR-468 y cumplen con las directivas RoHS.
Diodo láser DFB de 1653 nm y 40 mW para sensor de metano La detección CH4 utiliza una construcción plana con chip en subportadora. El chip de alta potencia está sellado herméticamente en un paquete de mariposa de 14 pines sin epoxi ni fundente y equipado con un termistor, un refrigerador termoeléctrico y un diodo monitor para garantizar un rendimiento láser de alta calidad. Nuestros productos láser cuentan con la calificación Telcordia GR-468 y cumplen con las directivas RoHS.
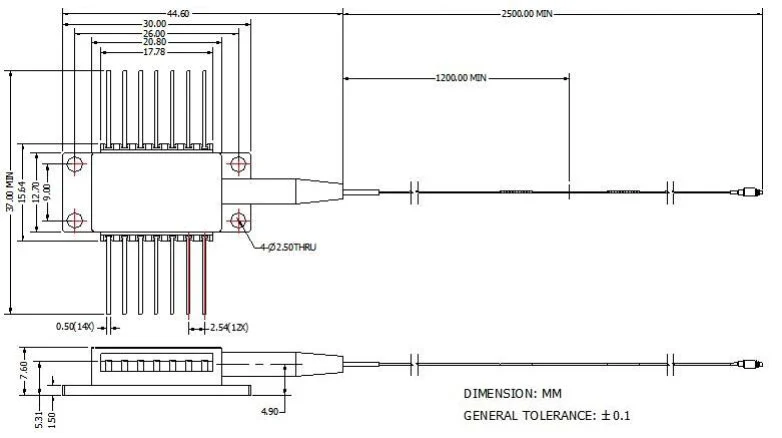
Paquete de mariposa de 14 pines estándar de la industria;
TEC incorporado y aislador óptico;
Láser de retroalimentación distribuida (DFB) de pozo multicuántico (MQW) de alto rendimiento.
Pruebas de producción de componentes pasivos para la detección de gases;
Sistema de detección de gas de fibra;
Fuentes láser.
| Parámetro | Símbolo | Condición | Mín. | Tipo. | Máx. | Unidad |
| Longitud de onda central | λc | TL = 15 ~ 35 ℃ en sentido horario | 1652.7 | 1653.7 | 1654.7 | Nuevo Méjico |
| Potencia de salida óptica | Correos | CW | - | 40 | - | mW |
| LD Umbral de corriente | ITH | CW | - | 15 | 40 | mamá |
| LD Corriente directa | Si | Pf = potencia nominal | - | 300 | 400 | mamá |
| Aislamiento óptico | - | -10 |
30
|
-
|
-
|
dB |
|
| Relación de supresión de modo lateral | SMSR | CW | 35 | 40 | - | dB |
| Supervisar la capacidad de respuesta | Soy /Pf | - | - | 1 | 20 | uA/mW |
| Supervisar la estabilidad de la capacidad de respuesta | - | - | - | - | 20% | - |
| Monitorear la corriente oscura | Identificación | DPV = 5V | - | - | 50 | n / A |
| TEC actual | ITEC | Tcaso = 75 ℃ | - | - | 2 | A |
| Voltaje TEC | VTEC | Tcaso = 75 ℃ | - | - | 3.5 | V |
| Consumo de energía TEC | P | Prueba = 25 ℃ | - | - | 5 | W |
| Resistencia del termistor | Rth | Tcaso = 75 ℃ | 9.5 | 10 | 10.5 | Kohm |
| Termistor B constante | bth | Prueba = 25 ℃ | - | 3900 | - | K |
| Deriva de longitud de onda (EOL) | △λ | Probado durante una vida útil de 25 años | - | - | ±0,1 | Nuevo Méjico |
| Ola. Coeficiente de temperatura | Δλ/ΔT | Temperatura TEC de 15 ℃ a 35 ℃ | - | 0.09 | - | nm/℃ |
| Longitud de onda Coeficiente de corriente | Δλ/ΔΙ | - | - | 0.01 | - | nm/mA |

Todos los productos han sido probados antes del envío;
Todos los productos tienen de 1 a 3 años de garantía (después del período de garantía de calidad, se comienza a cobrar la tarifa de servicio de mantenimiento adecuada).
Apreciamos su negocio y ofrecemos una política de devolución instantánea de 7 días. (7 días después de recibir los artículos);
Si los artículos que compra en nuestra tienda no son de calidad perfecta, es decir, no funcionan electrónicamente según las especificaciones del fabricante, simplemente devuélvalos para su reemplazo o reembolso;
Si los artículos están defectuosos, notifíquenos dentro de los 3 días posteriores a la entrega;
Cualquier artículo debe devolverse en su estado original para calificar para un reembolso o reemplazo;
El comprador es responsable de todos los gastos de envío incurridos.
P: ¿Cuál es la precisión de la longitud de onda?
R: +/-0,5 nm.
P: ¿Tiene otras versiones de la potencia de salida?
R: 10mW, 15mW, 50mW.
1512nm 10mW DFB 14PIN Láser de mariposa para detección de NH3
diodo láser de mariposa 1392nm DFB para detección de humedad H2O
Diodo láser de mariposa DFB de 1653 nm para detección de CH4
Diodo láser de mariposa DFB de 1567nm para detección de CO
diodo láser 1578nm 10mW DFB para detección de sulfuro de hidrógeno
Diodo láser de mariposa DFB de 1580 nm para detección de CO2Copyright @ 2020 Shenzhen Box Optronics Technology Co., Ltd. - Módulos de fibra óptica de China, fabricantes de láseres acoplados de fibra y proveedores de componentes láser. Todos los derechos reservados.